1
/
of
4
TACT Industrial Products
BEARING SAFETY COVER/CAP/GUARD
BEARING SAFETY COVER/CAP/GUARD
Regular price
$6.48 USD
Regular price
Sale price
$6.48 USD
Unit price
/
per
Shipping calculated at checkout.
Couldn't load pickup availability
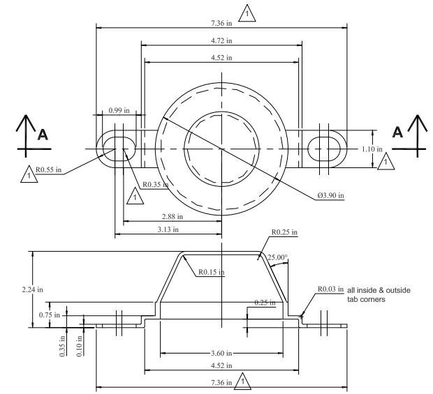
Covering an exposed rotating shaft is becoming more common as a safety precaution. Bearing manufacturers have a couple of bearing safety cap designs to cover the exposed, rotating shaft, the most common is one that snaps into place. Unfortunately, with this design, it is easy to knock the cap off accidently. Often, it is not reinstalled because it gets lost. Our flange bearing safety cap is secured directly to the bearing mounting hardware, which means it “stays put” until it is meant to be removed. Designed to fit many manufacture bearings for the particular series.
Share





