1
/
of
6
TACT Industrial Products
Heavy Duty Kingpinless Casters with Solid Nylon Wheel- Capacity up to 5,400lbs
Heavy Duty Kingpinless Casters with Solid Nylon Wheel- Capacity up to 5,400lbs
Regular price
$145.70 USD
Regular price
Sale price
$145.70 USD
Unit price
/
per
Shipping calculated at checkout.
Couldn't load pickup availability
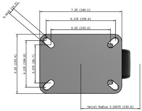
Heavy Duty Kingpinless Castors
This USA-made series is a 3” wide-wheel workhorse designed to handle shock and impact. Constructed from high-quality, heat-treated AISI 1045 laser-cut steel, this series provides trusted performance. Precision machined raceway, fully welded legs (inside and outside), and kingpinless design delivers superior strength in rugged applications. This series also supports towed applications, contact us prior to ordering to ensure your selection meets your towing requirements.
NOT SEEING WHAT YOU'RE LOOKING FOR? CONTACT US!
Share








